俄罗斯贵宾会集团

English 俄罗斯贵宾会集团集团企业邮箱
icon_searchclose

第四节 烧伤湿性医疗技术对表皮再生干细胞作用的钻研汇报

作者:中国中西医结合学会烧伤专业委员会 出版社:中国医药科技出版社 刊行日期:2000年6月

[提要] 主张:索求烧伤湿性医疗技术于浅Ⅲ度烧伤时脂肪层烧伤创面天然建复的机造。步骤:利用细胞免疫化学步骤生物素-抗生物素蛋白(biotin-avidin)DCS系统间接免疫荧光技术。以幼鼠抗人角蛋白19的单克隆抗体检测表皮再生干细胞。了局:烧伤后24h可见表皮再生干细胞出现。烧伤后4天表皮再生干细胞数量增多。

烧伤后7天和14天表皮再生干细胞数量最多。烧伤后21天和28天表皮再生干细胞削减。结论:烧伤湿性医疗技术对浅Ⅲ度烧伤残存组织中的再生表皮干细胞拥有推进其激活和增生的作用。

[关键词] 烧伤 湿性医疗技术 表皮干细胞 细胞免疫化学

烧伤湿性医疗技术是烧伤医治学上的拥有创新性的医治学术系统。目前已成功并遍及推广的医治技术为烧伤湿润露出疗法与湿润烧伤膏。在临床上成功地解决了烧伤创面的疼痛、创面习染、创面的进行性坏死、烧伤深Ⅱ度创面的瘢痕愈合等四大国际烧伤难题。最近又获得了在Ⅲ度烧伤创面脂肪组织上再生皮肤的成就。深Ⅱ度烧伤和浅Ⅲ度烧伤使危险的皮肤不再存留表皮基底层的干细胞。因而 ,使脂肪层烧伤创面天然建复的表皮再生干细胞的起源的确是值得深刻钻研的。

材 料 与 方 法

1. 取材 以下2例患者受伤后立即选取烧伤湿性医疗技术医治。

第1例:6岁男孩 ,热水烫伤 ,背部、双下肢。烫伤面积达33%。深Ⅱ度烫伤。

第2例:24岁男性青年 ,火焰烧伤手脚。烧伤面积25% ,深Ⅱ度、浅Ⅲ度烧伤。

以上2例于正常部位及伤后24h、4天、7天、14天、21天、28天患处取皮肤或组织 ,立即放入冻存管于液氮中保留。而后放入OCT冷冻剂复合物(Tissue-Tek OCT Compound)中包埋 ,于液氮中冷冻。恒冷箱冰冻切片 ,厚度10祄。

2. 生物素—抗生物素蛋白DCS系统间接免疫荧光染色 先将冰冻切片用10%的马血清于4℃孵育20min ,而后滴加1:20稀释的幼鼠抗人角蛋白19型单克隆抗体(第1抗体)4℃孵育过夜。切片在磷酸缓冲液中涮洗后加第2抗体 ,即7.5礸/ml生物素化的马抗幼鼠IgG抗体(Vector Laboratories Burlingame, CA, USA) ,4℃孵育1h。涮洗后 ,加10礸/ml荧光素-抗生物素蛋白DCS(Vector Laboratories Burlingame, CA, USA)于4℃孵育1h。将切片涮洗干净后 ,用含10%PBS和1%对苯基二胺(P-phenylenediamine)的甘油做介质封片。对照染色切片 ,则不加第1抗体。标本在Olympus反射式荧鲜明微镜下观察 ,并用ASA400 KODAK胶卷拍照。

结 果

用特异的幼鼠抗人角蛋白19型的单克隆抗体(McAb)对正常和烧伤皮肤免疫细胞化学观察了局批注 ,两例正常皮肤表皮再生干细胞数量较少 ,可见少量显示荧光的表皮细胞再生干细胞(图5-4-1) ,即角蛋白19型阳性细胞。烧伤后24h ,荧鲜明微镜下 ,显示荧光的表皮再生干细胞数量中等水平(图5-4-2) ,烧伤后4天 ,在汗腺、毛细血管和毛囊周围可见起头增多的潜在表皮干细胞(图5-4-3)。

烧伤后7天(图5-4-4),烧伤后14天(图5-4-5) ,在该两功夫点镜下可见比烧伤后4天持续增多的表皮再生干细胞。潜在的再生干细胞即含人角蛋白19型细胞的数量达到烧伤疗程中的峰值(数量最多)。至烧伤后21天(图5-4-6)和28天(图5-4-7)两功夫点潜在再生干细胞数量又减至肯定的水平。观察中发现患者经湿性烧伤医疗技术医治后 ,潜在再生干细胞的增生状态有肯定的变动法规。潜在再生干细胞可能是表皮再生的干细胞的起源 ,这些在荧鲜明微镜下显示荧光的细胞是深Ⅱ度和浅Ⅲ度烧伤后还存在的潜在的表皮再生干细胞。这些细胞可使烧伤湿性医疗技术医治的深Ⅱ度烧伤无瘢痕愈合 ,浅Ⅲ度烧伤皮肤再生。

讨 论

国际上对细胞周期的深刻钻研批注 ,细胞周期与生理性再生、创伤建复有亲昵的关系。有些细胞持久滞碍于G0期或G1期 ,在肯定前提下才出现增生涯动。有些细胞可持续进行割裂活动 ,割裂后的部门子细胞分化为执行肯定职能的成熟细胞 ,部门子细胞则一向维持陆续增生能力 ,称干细胞。皮肤表皮基底层干细胞可不休进行割裂 ,新生的细胞向上方移动 ,在达到棘层深部时可再割裂二或三次 ,而后失去细胞割裂能力。

深Ⅱ度和浅Ⅲ度烧伤危险了皮肤表皮和真皮深层 ,表皮基底层的干细胞全数受到粉碎。残存于皮下组织的毛囊、汗腺 ,以及毛细血管周围的间充质细胞都有可能提供表皮再生的干细胞。由于这些再生干细胞能合成特有的细胞角蛋白(19型) ,所以可选取免疫细胞化学步骤辨认这些细胞。俄罗斯贵宾会集团钻研选取了抗人角蛋白19型单克隆抗体 ,利用生物素-抗生物素蛋白DCS系统间接免疫荧光技术 ,可能正确、特异地检测出深Ⅱ度和浅Ⅲ度烧伤后残存于皮下组织的表皮再生干细胞。经过烧伤湿性医疗技术医治后 ,于烧伤后7天至14天阶段 ,潜在的再生干细胞即显示人角蛋白19型免疫组织化学标志物的细胞数量达到峰值。这些显示间接免疫荧光的细胞就是供脂肪层烧伤创面天然建复的表皮再生干细胞。由于烧伤湿润露出疗法与湿润烧伤膏的医治作用 ,可能激活了休眠状态的潜在的表皮再生干细胞的增生。这有力地保障了深Ⅱ度或浅Ⅲ度烧伤 ,经烧伤湿性医疗技术医治后 ,达到烧伤创面天然建复、无瘢痕愈合的疗效。该技术解除了烧伤患者的瘢痕伴随平生的疾苦。

表皮再生干细胞在移动和进行细胞割裂后 ,产生合成其他类型角蛋白(9型和16型)的细胞 ,这些细胞仍有移动能力。而后 ,它们割裂增天生的细胞合成较硬的角蛋白(1型和10型) ,这是成熟的表皮细胞所含的典型角蛋白。由此体现了烧伤湿性医疗技术对表皮再生干细胞拥有推进其激活和增生的作用。

钻研批注细胞从静止期开释出来 ,首先被激活的周期蛋白就是cyclin D ,只有受到成长因子刺激后 ,它才表白。真核细胞生物在细胞的G1期决定进入增生状态还是退出周期。G1期限度点的重要调控者是cyclin D1/CDK4复合体。为了深刻钻研烧伤湿性医疗技术疗效作用机造 ,我们将进一步索求表皮再生干细胞细胞周期的基因调控。

         201121815573978

图5-4-1 正常皮肤、未见角蛋白19型阳性细胞  ×200

         201121815579589

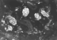
图5-4-2 经MEBT/MEBO医治烧伤后 24h ,可见中等水平蛋白19型阳性细胞   ×200

         2011218155714871

图5-4-3经MEBT/MEBO医治烧伤后4天 ,角蛋白19型阳性细胞增多  ×200

         2011218155718852

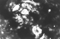
图5-4-4 经MEBT/MEBO医治 ,烧伤后7天 ,角蛋白19型阳性细胞数量达峰值  ×200

         2011218155723346

图5-4-5 经MEBT/MEBO医治 ,烧伤后14天 ,角质蛋白19型阳性细胞数量达峰值  ×200

         2011218155726827

图5-4-6 经MEBT/MEBO医治 ,烧伤后21天 ,角蛋白19型阳性细胞削减  ×200

         2011218155731828

图5-4-7 经MEBT/MEBO医治 ,烧伤后28天 ,角蛋白19型阳性细胞削减  ×200

图5-4-1图5-4-7均为利用幼鼠抗人角蛋白19型单克隆抗体于冰冻切片染色(生物素-抗生物素蛋白DSC系统间接免疫荧光)照片。

(徐荣祥 , 许增禄)

【网站地图】